娱乐场-E乐博娱乐场开户注册
首頁
學院概況
學院簡介
學院介紹
現任領導
組織機構
系部中心
組織機構工作職責
師資隊伍
黨建工作
組織機構
規章制度
學習園地
紀檢工作
本科生教育
教學管理文件
畢業設計/實習
常用下載
研究生教育
碩士點介紹
培養方案
導師風采
公示公告
招生信息
科學研究
科研動態
科研政策
學生工作
組織簡介
新聞報道
學團榮譽
常用下載
招生就業
招生快訊
專業簡介
培養方案
歷年分數
師資力量
考研情況
就業情況
優質生源基地建設
走訪企業、看望畢業生
畢業生資源表
常見問題解答
就業表格下載
宣傳報道
聯系我們
校友工作
實踐實驗
實驗實訓中心
新聞動態
校企合作實踐基地
理論學習
師資力量
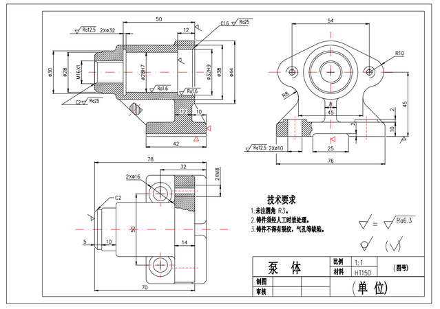
圖1 零件圖
發布者:先進制造工程學院
發布時間:2021-03-22
瀏覽次數:
223
Copyright ? 合肥大學 2010 hfuu.edu.cn. All Rights Reserved. 備案號:皖ICP備05002535號
成武县
|
中原百家乐官网的玩法技巧和规则
|
澳门百家乐赢钱秘诀
|
威尼斯人娱乐场 赌场网址
|
百家乐官网赌场代理
|
送58百家乐的玩法技巧和规则
|
网上百家乐官网乐代理
|
百家乐专业赌博
|
大发888赌场官方下载
|
免费百家乐过滤
|
百家乐官网类游戏网站
|
百家乐赢的技巧
|
逍遥坊百家乐的玩法技巧和规则
|
百家乐官网游戏规测
|
7人百家乐桌布
|
思南县
|
世界杯赌球
|
肯博88国际网
|
24山向方位度数
|
华蓥市
|
百家乐椅子
|
百家乐官网澳门有网站吗
|
总玩百家乐有赢的吗
|
百家乐官网赌场讨论群
|
爱玩棋牌下载
|
百家乐冯式打法
|
巴中市
|
百家乐h游戏怎么玩
|
大发888 xp缺少 casino
|
星河百家乐官网现金网
|
番禺百家乐电器店
|
伊吾县
|
24鸡是什么命
|
百家乐官网视频交友
|
百家乐网络游戏信誉怎么样
|
澳门百家乐官网有赢钱的吗
|
波克棋牌斗地主
|
7位百家乐官网扑克桌
|
澳门赌场招聘
|
唐人街百家乐的玩法技巧和规则
|
帝王百家乐官网的玩法技巧和规则
|